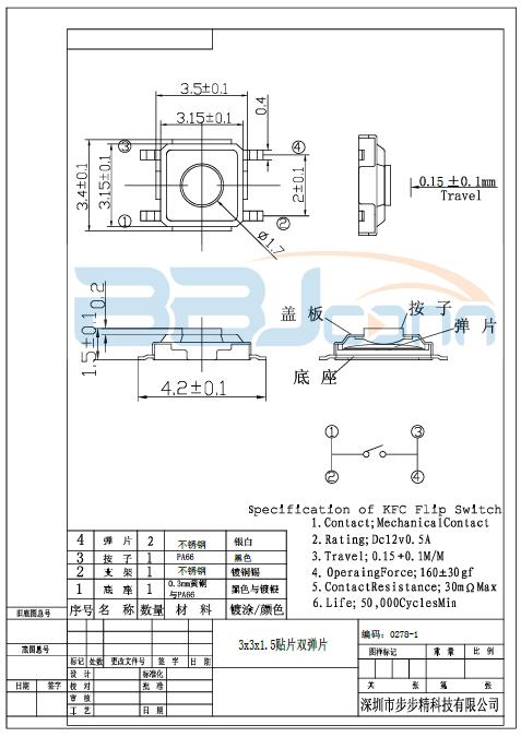
3*3*1.5貼片
深圳市步步精科技有限公司是一家專業輕觸開關廠生產廠家及定制廠商,提供3*3*1.5貼片批發及采購,價格實惠。產品暢銷北京、上海、廣州、深圳、東莞、廈門、蘇州、寧波等地。

輕觸開關規格有:2*3/2*4/3*3/3*4/3*5/3*6/3.7*3.7/4*4/4*6/4.5*4.5/4.8*4.8/6*6/6.2*6.2/12*12系列;
材質:基座有LCP/PPA/PA66;端子腳為黃銅,彈片是不銹鋼
輕觸開關技術參數: 1.額定負荷: DC 12V 50mA 2.接觸電阻: ≤100mΩ 3.絕緣阻抗: ≥100MΩ DC250V 4.使用溫度: -25℃+70℃ 5.使用濕度: ≤85%RH 6.操作力 :160/260gf(常規款) 7.行程:0.25±0.1mm 8.使用壽命: 160G 8萬~10萬Cycles;260G 3萬~5萬Cycles
輕觸開關是通過操作力按下開關,從而打開和關閉功能。施壓后,輕觸開關閉合,輕觸開關的內部結構依靠金屬彈片的受力情況來實現通斷。輕觸式開關具有電阻接觸負載小、操作力誤差小、多種規格等優點。

輕觸開關應用范圍:
電視機、音響設備、錄像機、攝像機、計算機、游戲機、傳真機、 MP3、MP4、DVD音響;數碼相機等;車輛、點卷門、家庭防盜產品之遙控器;手機、車載話機、電話機、樓宇設備、PDA、對講機、警棍、機床控制裝置、復印、打印機、電子儀器等等。
輕觸開關外觀的檢測:首先看外觀金屬部位是否有銹蝕、氧化、斷裂、彎曲現象。按鍵部位是否光滑、無毛刺和突起,是否與基座結合牢固,無松動;開關的結構、尺寸和操作應符合部件規范的要求。
輕觸開關的常見問題是手感、附著力和蓋子脫落。通過改變彈片的材質,可以改善手感;基座為高溫材料,鉚接點固定,改善了蓋子脫落的問題。





